东莞水磨论坛,51pc茶官方app,酒店小姐

诚信 创新 专业 共赢
全员参与 持续改进 精益生产 创造品牌
产品
PRODUCT CENTER
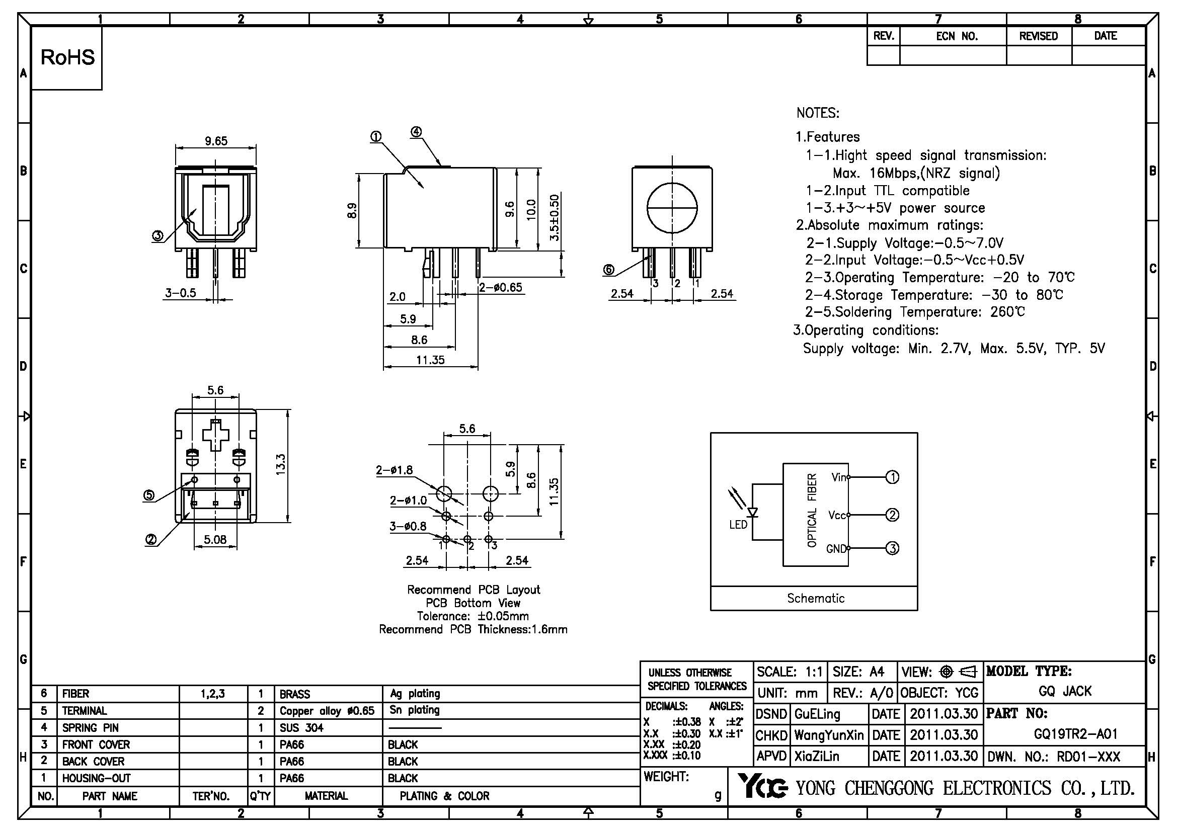
产品型号:
 GQ-19
产品类别:
 GQ光纤插座系列
产品描述:
 
额定负荷:
 -0.5~7.0V
传输速率:
 16Mbps
查看详情
主站蜘蛛池模板: 托里县| 峡江县| 海安县| 若尔盖县| 陆丰市| 西峡县| 澜沧| 峡江县| 石棉县| 环江| 融水| 策勒县| 西乌珠穆沁旗| 烟台市| 盘锦市| 刚察县| 陆丰市| 北京市| 嘉峪关市| 长汀县| 宁远县| 余庆县| 乡城县| 宁海县| 柏乡县| 五台县| 葫芦岛市| 湖口县| 即墨市| 交口县| 汤阴县| 开平市| 聂拉木县| 伊金霍洛旗| 柳州市| 定边县| 新龙县| 宜都市| 孟州市| 浮山县| 山东|