东莞水磨论坛,51pc茶官方app,酒店小姐
加入收藏
|
设为首页
|
中文
|
English
服务
人才
环境
技术
信息
产品
公司
首页
加入收藏
|
设为首页
|
中文
|
English
首 页
公 司
产 品
信 息
技 术
环 境
人 才
服 务
诚信 创新 专业 共赢
全员参与 持续改进 精益生产 创造品牌
产品
PRODUCT CENTER
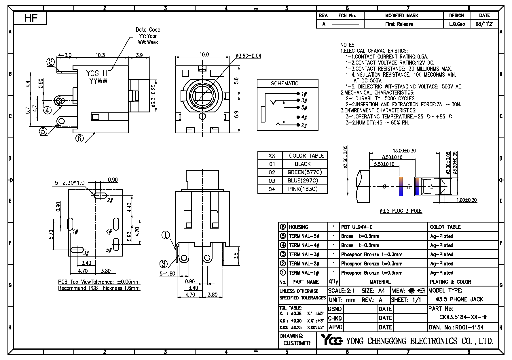
产品型号:
CKX3.5184
产品类别:
CKX3.5 插座系列
产品描述:
PHONE JACK φ3.6mm,R/S,3 Poles,BLACK
接触电阻:
≤30MΩ
绝缘电阻:
≥100MΩ
耐 压:
500V/AC
温度范围:
-25℃~+85℃
额定负荷:
1A/12V DC
插 拔 力:
3N~30N
寿 命:
3000
查看详情
公司
总裁致词
公司介绍
资质荣誉
企业文化
发展历程
产品
DC 电源插座系列
CKX3.5 插座系列
KFC 轻触开关系列
FC 射频插座系列
更多...
信息
新闻中心
技术
技术
环境
环境方针
环境保护
人才
人才
服务
服务
关注微信公众号
版权所有 © 2008-2010 浙江永成功电塑有限公司 厂址:浙江省温州市永嘉县乌牛街道东蒙工业区 电话:0577-67398288 传真:0577-67396278 E-mail:ycg@cnycg.com
浙ICP备13015622号-1
浙公网安备 33032402001998号
主站蜘蛛池模板:
南皮县
|
宜君县
|
西安市
|
阳曲县
|
黄陵县
|
罗平县
|
富顺县
|
鸡西市
|
安福县
|
阜南县
|
崇阳县
|
夏邑县
|
南澳县
|
枣阳市
|
石屏县
|
房产
|
原平市
|
阿拉尔市
|
法库县
|
瑞昌市
|
巴青县
|
礼泉县
|
肃宁县
|
乌兰浩特市
|
靖远县
|
慈溪市
|
霍城县
|
城步
|
滨海县
|
新平
|
白银市
|
嘉义市
|
南靖县
|
萨嘎县
|
西藏
|
安丘市
|
温宿县
|
辽宁省
|
桦甸市
|
郯城县
|
商洛市
|